Giới thiệu
– Đây là mô đun IGBT của hãng Mitsubishi.
Đặc trưng
– Tốc độ chuyển mạch nhanh.
– Chịu được quá tải, quá dòng lớn.
– Tuân thủ quy định an toàn RoHS.
Ứng dụng
– Dùng cho biến tần, servo và các thiết bị điện công nghiệp khác.
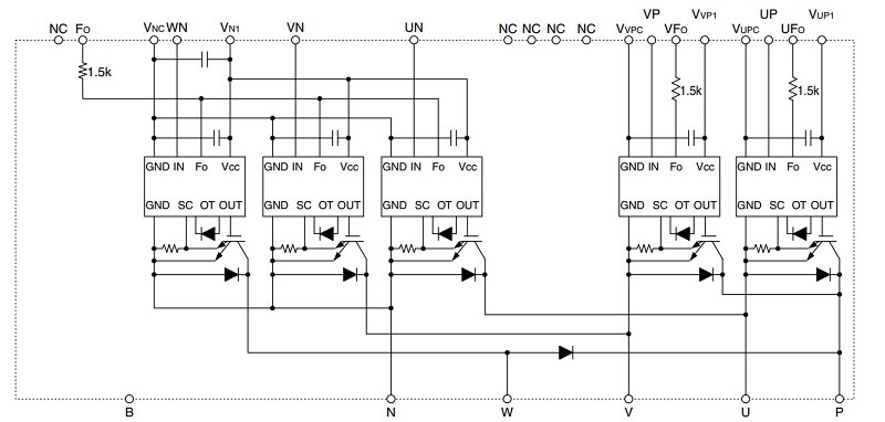
Cấu tạo PM75B5LA060

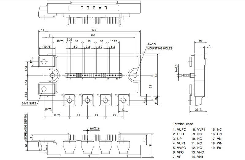
Kích thước PM75B5LA060

Bảng thông số PM75B5LA060















