Giới thiệu
– Đây là mô đun IGBT của hãng Mitsubishi.
Đặc trưng
– Tốc độ chuyển mạch nhanh.
– Có chức năng bảo vệ quá tải, quá dòng cao.
– Tuân thủ quy định RoHS
– Chịu được nhiệt cao.
Ứng dụng
– Dùng cho biến tần, UPS, servo và các thiết bị công nghiệp.
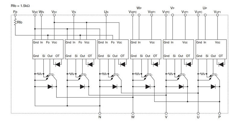
Cấu tạo PM150CS1D060

Kích thước PM150CS1D060

Bảng thông số PM150CS1D060















