Giới thiệu
– Đây là mô đun IGBT của hãng Mitsubishi.
Đặc trưng
– Tốc độ chuyển mạch nhanh.
– Có khả năng chịu quá tải, ngắn mạch.
– Tuân thủ quy định an toàn RoHS.
Ứng dụng
– Biến tần, servo, UPS và các thiết bị điện công nghiệp khác.
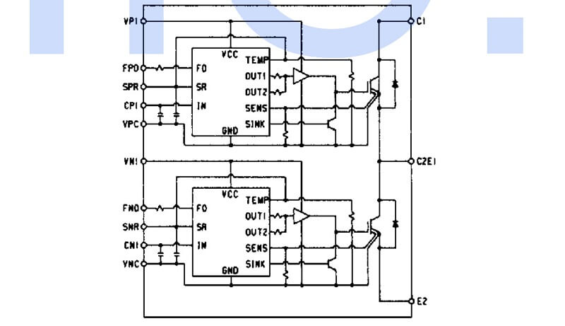
Cấu tạo PM300DHA060-1

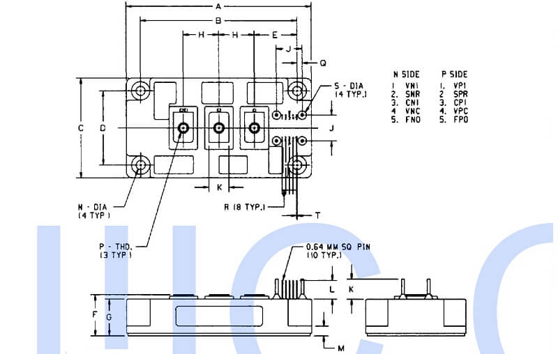
Kích thước PM300DHA060-1


Bảng thông số PM300DHA060-1














