1. Giới thiệu
FSBB10CH60 là một Intelligent Power Module (IPM) do Fairchild (nay là ON Semiconductor) sản xuất. Đây là mô-đun IGBT tích hợp mạch điều khiển và bảo vệ, chuyên dùng cho bộ nghịch lưu động cơ AC, PFC, và các hệ thống điều khiển công suất trung bình – cao.
Thiết kế dạng module DIP thông dụng, nhỏ gọn, giúp giảm số lượng linh kiện rời, nâng cao độ tin cậy và dễ dàng lắp ráp.
2. Cấu tạo & Chức năng
-
Cấu tạo bên trong:
-
6 IGBT công suất (cầu nghịch lưu 3 pha).
-
6 diode tự do (freewheeling diodes).
-
Mạch điều khiển driver tích hợp cho cổng IGBT.
-
Mạch bảo vệ (UVLO – Under Voltage Lock Out, bảo vệ quá nhiệt, bảo vệ ngắn mạch).
-
-
Chức năng:
-
Chuyển đổi điện áp DC sang AC 3 pha để điều khiển động cơ.
-
Bảo vệ hệ thống khỏi các sự cố điện áp, dòng điện.
-
Giảm công suất tản nhiệt nhờ IGBT hiệu suất cao.
-
Tích hợp driver giúp đơn giản hóa thiết kế mạch.
-
3. Thông số kỹ thuật chính
-
Điện áp Collector–Emitter tối đa (Vces): 600 V
-
Dòng Collector danh định (Ic): 10 A
-
Điện áp điều khiển logic: 15 V (typical)
-
Điện áp bảo vệ UVLO: ~13 V
-
Điện trở nhiệt (RthJC): khoảng 1.25 °C/W
-
Tần số hoạt động: lên đến 20 kHz (tùy điều kiện tải)
-
Nhiệt độ hoạt động (Tj): –40 °C → +150 °C
-
Package: DIP module (Dual-In-Line Power Module)
4. Ứng dụng
-
Biến tần (inverter) cho động cơ AC công suất vừa.
-
Hệ thống HVAC (Heating, Ventilation, Air Conditioning).
-
Máy giặt, máy bơm, tủ lạnh, quạt công nghiệp.
-
Nguồn xung công suất lớn, bộ điều khiển servo.
-
UPS (Uninterruptible Power Supply).
5. Cách kiểm tra FSBB10CH60
-
Kiểm tra diode và IGBT: dùng đồng hồ vạn năng thang diode:
-
Kiểm tra giữa cực C–E qua diode tự do.
-
Kiểm tra cách ly giữa C–E khi không kích.
-
-
Kiểm tra thực tế: cấp nguồn điều khiển 15 V, kích tín hiệu PWM vào chân logic, đo dạng sóng ở đầu ra 3 pha.
-
Kiểm tra bảo vệ: giả lập tình huống quá dòng/áp thấp để xem mạch IPM ngắt.
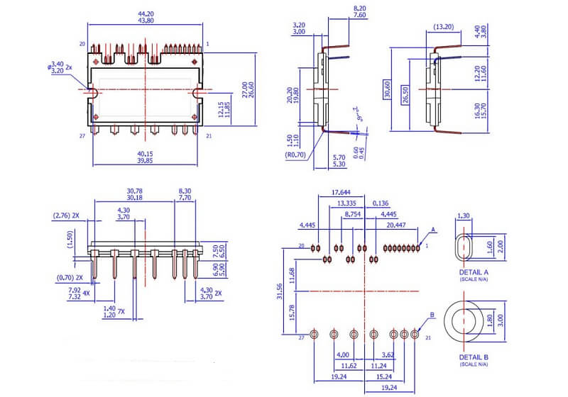
6. Kích thước & Đóng gói
-
Package: DIP – Multi-pin
-
Kích thước tham khảo:
-
Dài: ~31 mm
-
Rộng: ~13 mm
-
Cao: ~3.5 mm
-
-
Đặc điểm: Có nhiều chân ra (logic & công suất), dễ hàn hoặc gắn socket, phần lưng module có thể gắn tản nhiệt để nâng cao công suất.


Xem thêm nhiều sản phẩm IGBT Tại đây