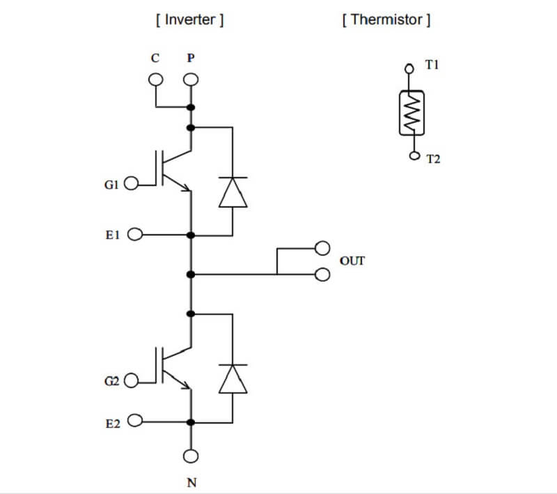
Đặc trưng của IGBT 2MBI450U4N120-50
– Đóng cắt tốc độ cao.
– Điều chỉnh điện áp.
– Mô-đun độ tự cảm thấp.

Ứng dụng
– Biến tần điều khiển động cơ.
– Bộ điều khiển AC và DC Servo.
– Ứng dụng cung cấp điện liên tục.
– Máy công nghiệp, như máy hàn
Bảng thông số của IGBT 2MBI450U4N120-50

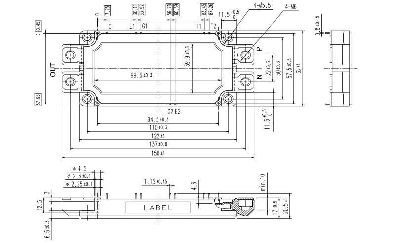
Kích thước của IGBT 2MBI450U4N120-50












