1. Giới thiệu IC 2903, NJM2903, JRC2903
IC NJM2903 (hoặc JRC2903) là bộ so sánh điện áp kép (Dual Voltage Comparator) gồm hai bộ so sánh độc lập trong cùng một vỏ SOP-8 hoặc DIP-8.
Mỗi bộ so sánh có hai đầu vào (–) và (+) và một đầu ra open-collector, có thể dùng trong nhiều ứng dụng như mạch cảm biến, mạch phát hiện ngưỡng điện áp, hoặc mạch điều khiển logic.
IC này tương thích chân với các loại LM2903, LM393, hoặc KA2903, thường dùng thay thế trực tiếp được.

2. Cấu tạo IC 2903, NJM2903, JRC2903
Bên trong IC có 2 bộ so sánh độc lập, ký hiệu là A và B.
Mỗi bộ so sánh gồm:
-
Hai đầu vào:
-
(+) Đầu vào không đảo
-
(–) Đầu vào đảo
-
-
Một đầu ra: Open-collector (cần điện trở kéo lên)
Khi V(+) > V(–) → Ngõ ra ở mức cao (logic 1).
Khi V(+) < V(–) → Ngõ ra ở mức thấp (logic 0).
3. Thông số kỹ thuật IC 2903, NJM2903, JRC2903

| Thông số | Giá trị điển hình |
|---|---|
| Điện áp hoạt động | 2V → 36V (nguồn đơn) hoặc ±1V → ±18V (nguồn đôi) |
| Dòng tiêu thụ | 1 mA (toàn mạch) |
| Dòng ngõ ra cực đại | 20 mA |
| Điện áp offset đầu vào | ±5 mV |
| Dải điện áp đầu vào | 0V → (VCC – 1.5V) |
| Kiểu ngõ ra | Open Collector |
| Nhiệt độ hoạt động | –40°C → +85°C |
| Kiểu vỏ | SOP-8, DIP-8, MSOP-8 |
4. Sơ đồ chân và chức năng IC 2903, NJM2903, JRC2903

Sơ đồ chân (SOP-8 / DIP-8):
| Chân | Ký hiệu | Chức năng |
|---|---|---|
| 1 | A OUTPUT | Ngõ ra bộ so sánh A |
| 2 | A– INPUT | Đầu vào đảo của bộ A |
| 3 | A+ INPUT | Đầu vào không đảo của bộ A |
| 4 | GND | Mass (nguồn âm) |
| 5 | B+ INPUT | Đầu vào không đảo của bộ B |
| 6 | B– INPUT | Đầu vào đảo của bộ B |
| 7 | B OUTPUT | Ngõ ra bộ so sánh B |
| 8 | V+ | Nguồn dương cấp cho IC |
5. Chức năng linh kiện IC 2903, NJM2903, JRC2903
-
So sánh hai điện áp đầu vào analog và cho ra tín hiệu logic (HIGH/LOW).
-
Phát hiện ngưỡng điện áp (threshold detection) trong mạch cảm biến.
-
Bộ chuyển đổi tín hiệu analog sang logic cho vi điều khiển.
-
Giám sát điện áp pin, nguồn hoặc cảm biến.
-
Ứng dụng trong mạch tạo sóng vuông, mạch dao động RC.
6. Ứng dụng IC 2903, NJM2903, JRC2903
| Lĩnh vực ứng dụng | Ví dụ thực tế |
|---|---|
| Mạch cảm biến | Cảm biến ánh sáng (LDR), nhiệt độ (NTC), dòng điện |
| Mạch nguồn | Giám sát quá áp/thấp áp, mạch bảo vệ pin |
| Điều khiển logic | So sánh tín hiệu analog để ra mức logic cho vi điều khiển |
| Ô tô – công nghiệp | Cảnh báo áp suất, nhiệt độ, điện áp thấp |
| Mạch dao động | Tạo xung PWM hoặc sóng vuông điều khiển |
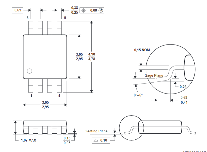
7. Kích thước IC 2903, NJM2903, JRC2903 (SOP-8)

| Đặc tính cơ khí | Giá trị (mm) |
|---|---|
| Chiều dài thân | 4.8 – 5.0 |
| Chiều rộng thân | 3.8 – 4.0 |
| Bước chân (Pitch) | 1.27 |
| Khoảng cách hàng chân | 5.2 |
| Độ dày | 1.5 (typ.) |
8. Cách đo kiểm tra sống/chết IC 2903, NJM2903, JRC2903
Dụng cụ cần:
-
Đồng hồ số (hoặc tương tự)
-
Nguồn DC 5V–12V
-
Điện trở kéo lên (10 kΩ)
Các bước kiểm tra:
-
Kiểm tra nguồn:
-
Đo giữa chân 8 (V+) và chân 4 (GND), không được chập.
-
-
Đo đầu vào:
-
Giữa các cặp A+, A– / B+, B– có điện trở cao (>100 kΩ).
-
-
Kiểm tra ngõ ra:
-
Nối một điện trở 10 kΩ từ ngõ ra (VD: chân 1) lên VCC.
-
Khi A+ > A– → Ngõ ra cao (logic 1).
-
Khi A+ < A– → Ngõ ra thấp (logic 0).
-
-
Nếu ngõ ra không thay đổi theo tín hiệu → IC bị hỏng.










