Trong bài viết này, đội ngũ kỹ thuật của RITECH sẽ hướng dẫn các bạn cài đặt biến tần Danfoss FC51 một cách nhanh nhất có thể.
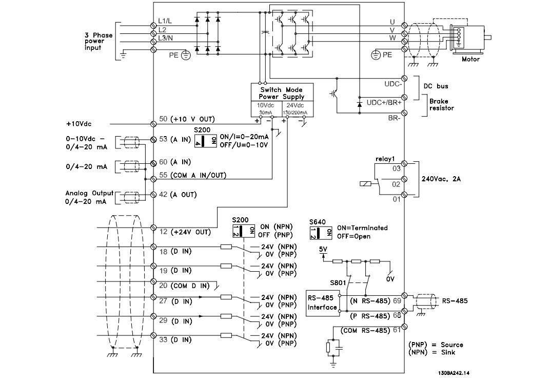
1. Sơ đồ đấu nối động lực và điều khiển biến tần Danfoss FC51.

Chức năng các chân động lực biến tần Danfoss FC51.
Ký hiệu chân | Ý nghĩa |
L1/L, L2, L3/N | Nguồn điện xoay chiều 3 pha hoặc 1 pha |
U, V, W | Đầu ra nối với động cơ |
PE | Chân nối với tiếp địa |
UDC+/BR+, BR- | Hai chân đấu với điện trở phanh (nếu dùng) |

Chức năng các chân điều khiển biến tần Danfoss FC51.
Ký hiệu chân | Kiểu tín hiệu | Ý nghĩa |
1 ,2, 3 | Ngõ ra Relay | Dùng làm tiếp điểm thường đóng hoặc hở |
12 | Chân nguồn +24V | |
18 | Tín hiệu số đầu vào | Chân chạy thuận |
19 | Chân chạy nghịch | |
20 | Chân nguồn 0V | |
27 | Tín hiệu số đầu vào | Chân chạy Reset |
29 | Chân chạy JOG | |
33 | Chân cấp tốc độ | |
42 | Tín hiệu Analog đầu ra | 0/4 – 20mA |
50 | Chân nguồn +10V | |
53 | Tín hiệu Analog đầu vào | 0 – 10V |
55 | Chân nguồn 0V | |
60 | Tín hiệu Analog đầu vào | 0/4 – 20mA |
61 | Giao tiếp 485 | Dùng cho truyền thông hoặc kết nối với PC |
68 | ||
69 |
2. Cài đặt thông số biến tần Danfoss FC51.
2.1 Các thông số cơ bản cài đặt biến tần Danfoss FC51.
Thông số | Ý nghĩa |
0-40, 0-41, 0-42 | Kích hoạt các phím Hand On, Off/Reset, Auto On tương ứng |
0-50 | Thông số copy chương trình |
0-61 | Mở khóa các thông số |
1-00 | Chọn chế độ điều khiển |
1-01 | Chọn chế độ điều khiển motor |
1-20 | Công suất động cơ |
1-22 | Điện áp định mức động cơ |
1-23 | Tần số định mức động cơ |
1-24 | Dòng định mức động cơ |
1-25 | Tốc độ định mức động cơ |
3-03 | Cài tần số max |
3-15 | Chọn chân tín hiệu tốc độ bằng điện áp hoặc dòng |
3-41 | Thời gian tăng tốc |
3-42 | Thời gian giảm tốc |
14-22 | Reset mặc định nhà sản xuất |
2.2 Cài đặt thông số biến tần FC51 chi tiết hơn.
2.2.1 Cài đặt kích hoạt các phím Hand On, Off/Reset, Auto On.
Thông số | Giá trị | Chức năng |
0-40 Hand On | 0 | Vô hiệu hóa |
1 | Cho phép ấn | |
0-41 Off/Reset | 0 | Vô hiệu hóa |
1 | CHo phép ấn | |
0-42 Auto On | 0 | Vô hiệu hóa |
1 | Cho phép ấn |
2.2.2 Cài đặt copy thông số 0-50
- 1 Copy thông số lên màn hình.
- 2 Copy thông số từ màn hình xuống biến tần.
2.2.3 Cài đặt mở khóa các thông số 0-61
- 0 Xem full thông số và cho phép cài đặt.
- 1 Chỉ đọc và không cho phép cài đặt.
- 2 Không cho xem full thông số và cài đặt.
2.2.4 Cài đặt chế độ điều khiển 1-00.
- 0 Speed Open Loop : Kiểm soát tốc độ bình thường.
- 3 Process Closed Loop : Kiểm soát vòng kín.
2.2.5 Cài đặt chế độ điều khiển động cơ 1-01.
- 0 U/f : Được sử dụng cho động cơ kết nối song song hoặc động cơ đặc biệt.
- 1 VVC+ : Chế độ chạy bình thường, bao gồm bù trượt và bù tải.
2.2.6 Cài đặt chân tín hiệu tốc độ 3-15.
- 1 Chọn tín hiệu analog chân 53 0 – 10V.
- 2 Chọn tín hiệu analog chân 60 0/4 – 20mA.
- 21 Sử dụng núm xoay trên bàn phím và các bạn phải cài 6-80=1
2.2.7 Cài đặt reset mặc định nhà sản xuất 14-22
- Các bạn cài là 2 sau đó tắt nguồn biến tần đi rồi bật lại.
3. Một số ví dụ về cài đặt biến tần Danfoss FC51.
3.1 Ví dụ 1 : Cài đặt biến tần Danfoss FC51 chạy Run, Stop bằng công tắc và lấy tín hiệu tốc độ bằng biến trở.
- Trước khi cài đặt biến tần, các bạn phải reset biến tần về mặc định nhà sản xuất như ở trên.
- Chọn chân lấy tín hiệu biến trở 3-15 bằng 1.
- Cài đặt chân Run để đấu với công tắc : 5-10 = 8 (Chân 18).
- Cài đặt thời gian tăng, giảm tốc : Ở đây mình cài là 10s, còn đâu tùy thuộc vào từng ứng dụng mà các bạn cài cho phù hợp.
- Cài tần số max : Các bạn phải cài nhỏ hơn hoặc bằng tần số ghi trên mã động cơ.
- Chọn chế độ điều khiển 1-00.
- Chọn chế độ điều khiển động cơ 1-01.
- Nhập thông số động cơ : Các bạn xem trên vỏ động cơ rồi nhập theo.
- Cách đấu biến trở : Chân giữa đấu với 53, hai chân còn lại đấu với 50, 55. Nếu xoay biến trở lên mà tần số đi xuống thì đảo 2 chân 50 với 55 cho nhau.
- Thực hiện lệnh chạy : Nối chân 12, 18 với công tắc. Bật công tắc để chạy, xoay biến trở điều chỉnh tốc độ. Tắt công tắc để dừng.
- Trước khi chạy, các bạn phải về chế độ auto on bằng cách ấn phím auto on.
3.2 Ví dụ 2 : Cài đặt biến tần Danfoss FC51 chạy thuận, nghịch bằng công tắc và điều chỉnh tần số bằng biến trở.
- Các bước thực hiện như trên, nhưng các bạn phải cài chân chạy nghịch và cài cho phép biến tần chạy 2 chiều.
- Cài chân chạy nghịch : 5-11=10 (Chân 19).
- Cài cho phép biến tần chạy 2 chiều : 4-10=2.
- Thực hiện lệnh chạy : Đấu chân 12, 18 với công tắc chạy thuận, đấu chân 12, 19 với công tắc chạy nghịch. Để chạy thuận, các bạn bật công tắc thuận. Để chạy nghịch, các bạn phải tắt công tắc thuận, rồi bật công tắc nghịch.
3.3 Ví dụ 3 : Cài đặt biến tần Danfoss FC51 chạy Run, Stop trên và điều chỉnh tần số trên bàn phím.
- Các bạn chỉ cần cài cho phép ấn các phím Hand On và Off/Reset là chạy.
- Thực hiện lệnh chạy : Ấn phím Hand On để chạy, ấn phím lên, xuống điều chỉnh tốc độ. Ấn phím Off/Reset để dừng còn ấn phím Auto On vẫn dừng được nhưng sẽ ko lưu tần số mà mình cài.
4. Các bước thay đổi giá trị biến tần Danfoss FC51.
Bước 1 : Ấn phím Menu để vào nhóm thông số thứ nhất.
Bước 2 : Dùng phím di chuyển lên, xuống tìm nhóm thông số muốn cài đặt.
Bước 3 : Ấn phím OK để vào nhóm thông số đó.
Bước 4 : Dùng phím di chuyển lên, xuống để tìm nhóm thông số thứ hai.
Bước 5 : Ấn phím OK để chọn thông số đó.
Bước 6 : Dùng phím di chuyển lên, xuống thay đổi giá trị.
Bước 7 : Ấn phím OK để lưu giá trị.
Bước 8 : Ấn phím Back để quay về hoặc ấn phím Menu để về trạng thái ban đầu nếu các bạn ko muốn cài nữa hoặc đã cài xong.
Nhóm thông số thứ nhất là thông số từ 0- đến 16-
Nhóm thông số thứ hai là các thông số trong nhóm thông số thứ nhất, ví dụ trong nhóm 0- là từ 0- 03 đến 0-61.