TDB6HK180N16RR Diode Cầu Chỉnh Lưu + IGBT 180A 1600V: Giới Thiệu và Các Thông Tin Chi Tiết
TDB6HK180N16RR là một Module Diode Cầu Chỉnh Lưu kết hợp IGBT được thiết kế với công suất cao, phục vụ cho các ứng dụng điều khiển điện và công nghiệp đòi hỏi hiệu suất mạnh mẽ và đáng tin cậy. Với thông số 180A và 1600V, linh kiện này thường được sử dụng trong các hệ thống điều khiển động cơ, bộ biến tần, và các thiết bị công nghiệp cần chỉnh lưu và điều khiển dòng điện hiệu quả.
1. Giới Thiệu
TDB6HK180N16RR là một module diode cầu chỉnh lưu kết hợp với IGBT (Insulated Gate Bipolar Transistor), giúp kết hợp hai chức năng quan trọng: chỉnh lưu dòng điện AC thành DC và điều khiển dòng điện DC với khả năng chịu tải cao. Với thông số 180A (dòng điện cực đại) và 1600V (điện áp cực đại), module này phù hợp cho các ứng dụng công suất lớn trong các hệ thống truyền động động cơ, bộ điều khiển điện, và các ứng dụng công nghiệp đòi hỏi khả năng điều khiển năng lượng và chuyển đổi hiệu quả.

-
Ứng dụng chính: Điều khiển động cơ, bộ biến tần, nguồn DC, các thiết bị công nghiệp yêu cầu khả năng điều khiển dòng điện và chuyển đổi điện áp hiệu quả.
-
Vị trí sử dụng: Các hệ thống điều khiển tự động công nghiệp, các ứng dụng nguồn điện và công nghệ tái tạo năng lượng.
2. Cấu Tạo
Module TDB6HK180N16RR kết hợp giữa các thành phần diodes và IGBT trong một module duy nhất, cấu tạo gồm các lớp vật liệu và các thành phần quan trọng sau:
-
IGBT (Insulated Gate Bipolar Transistor): Là một transistor hiệu suất cao, kết hợp giữa MOSFET và transistor bipolar. IGBT có khả năng chuyển mạch nhanh, điều khiển dòng điện một chiều với điện áp cao, thích hợp cho các ứng dụng công suất lớn.
-
Diode Cầu Chỉnh Lưu: Diode cầu trong module này thực hiện việc chuyển đổi từ dòng điện xoay chiều (AC) sang dòng điện một chiều (DC), một tính năng quan trọng trong các ứng dụng như bộ biến tần và nguồn điện công nghiệp.
-
Kết cấu vỏ bọc: Module có vỏ bọc kim loại hoặc nhựa với khả năng tản nhiệt tốt, bảo vệ các linh kiện bên trong khỏi các tác động từ môi trường ngoài.
-
Chân kết nối: Các chân kết nối trên module này được thiết kế để kết nối dễ dàng với mạch điều khiển và các hệ thống điện công nghiệp.
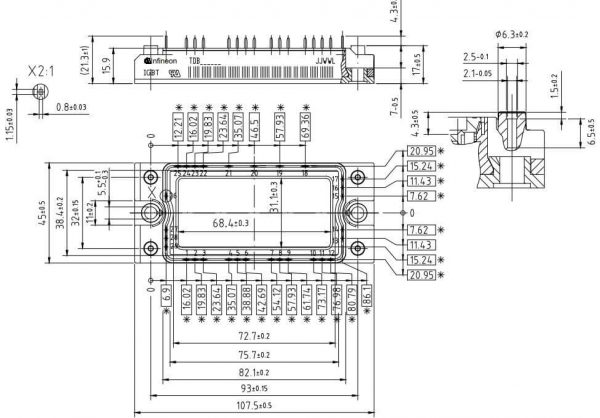
Sơ đồ tương đương TDB6HK180N16RR

3. Thông Số Kỹ Thuật
Các thông số kỹ thuật cơ bản của TDB6HK180N16RR:
-
Dòng điện cực đại: 180A (cực đại trong chế độ hoạt động ngắn hạn).
-
Điện áp cực đại: 1600V (giới hạn điện áp tối đa mà linh kiện có thể chịu được mà không bị hư hỏng).
-
Tần số hoạt động: Có thể hoạt động ở tần số cao trong các ứng dụng mạch điều khiển (tùy thuộc vào yêu cầu thiết kế).
-
Điện áp ngưỡng của IGBT: Vce(sat) khoảng 2V ở dòng điện đầy tải.
-
Điện áp ngưỡng của diode: 0.7V (typical).
-
Nhiệt độ hoạt động: -40°C đến 150°C (phù hợp cho các ứng dụng công nghiệp với nhiệt độ môi trường khắc nghiệt).
-
Chế độ bảo vệ: Tích hợp các cơ chế bảo vệ quá nhiệt và quá tải.
-
Khả năng chịu nhiệt: Module có khả năng chịu nhiệt cao, giúp duy trì hiệu suất trong các môi trường làm việc khắc nghiệt.
4. Kiểu Chân & Chức Năng Chân
TDB6HK180N16RR có các chân kết nối được sắp xếp sao cho dễ dàng tích hợp vào các hệ thống điều khiển công nghiệp. Dưới đây là mô tả về các chân kết nối chính:
| Chân | Chức năng |
|---|---|
| 1 | Collector (C) của IGBT (đầu ra). |
| 2 | Emitter (E) của IGBT (đầu vào). |
| 3 | Anode (A) của Diode cầu. |
| 4 | Cathode (K) của Diode cầu. |
| 5 | Gate (G) của IGBT (chân điều khiển). |
| 6 | Chân điều khiển (Base) cho IGBT. |
Lưu ý rằng các chân kết nối có thể thay đổi tùy theo kiểu module và phiên bản cụ thể, nên cần tham khảo datasheet cụ thể để hiểu rõ hơn về cách kết nối.
5. Chức Năng Linh Kiện
Module TDB6HK180N16RR kết hợp hai chức năng quan trọng:
-
Chỉnh lưu dòng điện: Diode cầu giúp chuyển đổi dòng điện xoay chiều (AC) sang dòng điện một chiều (DC), một yếu tố thiết yếu trong các ứng dụng nguồn điện và bộ biến tần.
-
Điều khiển dòng điện với IGBT: IGBT điều khiển dòng điện DC, cho phép chuyển mạch nhanh, tối ưu hóa hiệu suất và giảm tổn thất năng lượng trong các ứng dụng công nghiệp.
Ngoài ra, module còn có khả năng chống quá tải, chống ngắn mạch, và bảo vệ quá nhiệt, giúp kéo dài tuổi thọ của các thiết bị điện và giảm thiểu nguy cơ hỏng hóc.
6. Ứng Dụng
TDB6HK180N16RR được sử dụng trong các hệ thống yêu cầu chuyển đổi năng lượng và điều khiển dòng điện với công suất cao, bao gồm:
-
Bộ biến tần (VFD): Điều khiển động cơ điện một chiều và xoay chiều trong các ứng dụng công nghiệp, nhà máy.
-
Nguồn điện DC: Chỉnh lưu từ AC sang DC cho các ứng dụng như nguồn cung cấp cho hệ thống điều khiển, các bộ nguồn, máy tính công nghiệp.
-
Hệ thống điều khiển động cơ: Trong các máy móc công nghiệp như máy cắt, máy đóng gói, thiết bị nâng hạ.
-
Hệ thống truyền động điện: Sử dụng trong các hệ thống truyền động động cơ lớn, hệ thống điều khiển công suất điện.
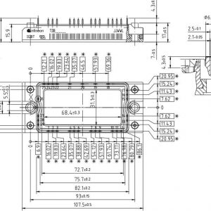
7. Kích Thước
Kích thước của TDB6HK180N16RR có thể thay đổi tùy theo nhà sản xuất và kiểu mẫu. Tuy nhiên, một số module IGBT có thể có kích thước gần:
-
Chiều dài: Khoảng 90 mm.
-
Chiều rộng: Khoảng 110 mm.
-
Chiều cao: Khoảng 25 mm (tùy thuộc vào cấu trúc và yêu cầu làm mát).
Để biết kích thước chính xác, bạn nên tham khảo datasheet của nhà sản xuất.
Kích thước TDB6HK180N16RR

8. Cách Đo Đạc và Kiểm Tra
Để kiểm tra và đo đạc TDB6HK180N16RR, bạn có thể thực hiện các bước sau:
-
Kiểm tra điện áp nguồn và kết nối:
-
Đảm bảo nguồn điện cấp cho module đúng theo yêu cầu (DC hoặc AC với điện áp đúng).
-
Kiểm tra các chân Collector, Emitter, và Gate của IGBT để đảm bảo chúng được kết nối đúng cách.
-
-
Kiểm tra hoạt động của IGBT:
-
Sử dụng đồng hồ vạn năng đo điện áp giữa Collector và Emitter khi điều khiển chân Gate.
-
Đảm bảo rằng khi có tín hiệu điều khiển tại chân Gate, điện áp giữa Collector và Emitter thay đổi (điện áp thấp khi IGBT được kích hoạt).
-
-
Kiểm tra diode cầu:
-
Đo điện áp giữa các chân Anode và Cathode của diode cầu để đảm bảo rằng diode chỉ cho phép dòng điện chạy một chiều (AC sang DC).
-
Kiểm tra diode với đồng hồ vạn năng ở chế độ kiểm tra diode, đảm bảo rằng diode không bị hỏng (thử đo điện trở theo cả hai chiều).
-
-
Kiểm tra nhiệt độ:
-
Đảm bảo rằng module không quá nóng trong quá trình hoạt động. Sử dụng cảm biến nhiệt độ để đo nhiệt độ của module và đảm bảo nó nằm trong phạm vi hoạt động cho phép.
-
-
Kiểm tra bảo vệ:
-
Đảm bảo các cơ chế bảo vệ quá nhiệt, quá tải hoạt động tốt trong quá trình thử nghiệm.
-
Datasheet TDB6HK180N16RR
TDB6HK180N16RR là một linh kiện mạnh mẽ và hiệu quả, thích hợp cho các ứng dụng yêu cầu chuyển đổi năng lượng và điều khiển dòng điện mạnh mẽ. Khi sử dụng đúng cách, nó có thể nâng cao hiệu suất và độ bền của các hệ thống điện công nghiệp.



















