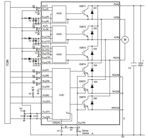
1. Giới Thiệu PS21A79 IGBT
PS21A79 là IGBT dùng trong các mạch chuyển mạch và điều khiển công suất, giúp cải thiện hiệu suất chuyển mạch với ít tổn thất năng lượng và nhiệt lượng sinh ra. Với khả năng chịu được điện áp 600V và dòng điện 50A, IGBT này được sử dụng rộng rãi trong các ứng dụng công nghiệp, bao gồm điều khiển động cơ, nguồn điện công suất, và các mạch chuyển mạch công suất.

-
Ứng dụng chính: Được sử dụng trong các hệ thống điều khiển động cơ, các bộ nguồn điện công suất, các thiết bị điện tử công nghiệp, bộ biến tần, các hệ thống năng lượng tái tạo và trong các bộ nguồn DC-DC công suất cao.
-
Đặc điểm: IGBT PS21A79 kết hợp khả năng điều khiển điện áp và dòng điện, giúp tối ưu hóa hiệu suất chuyển mạch và giảm thiểu tổn thất năng lượng. Nó có thể hoạt động trong các ứng dụng cần tần số chuyển mạch cao.
2. Cấu Tạo
PS21A79 là một loại IGBT với các phần chính cấu thành như sau:
-
Gate: Chân điều khiển của IGBT, có khả năng điều chỉnh điện áp, kiểm soát sự chuyển mạch giữa các trạng thái dẫn điện và không dẫn điện.
-
Emitter: Chân phát của IGBT, nơi dòng điện ra khỏi linh kiện.
-
Collector: Chân thu của IGBT, nơi dòng điện đi vào linh kiện.
-
Silicon Chip: Mạch bán dẫn bên trong, nơi quá trình chuyển mạch diễn ra.
-
Package: Đóng gói linh kiện (TO-220 hoặc dạng TO-3P) giúp bảo vệ các thành phần bán dẫn và hỗ trợ tản nhiệt.
3. Thông Số Kỹ Thuật
Các thông số kỹ thuật của PS21A79 bao gồm:
-
Điện áp cực đại (Vce): 600V (Điện áp tối đa có thể áp dụng giữa collector và emitter).
-
Dòng điện cực đại (Ic): 50A (Dòng điện tối đa mà IGBT có thể điều khiển).
-
Điện áp Gate-Emitter (Vge): ±20V (Điện áp tối đa giữa chân gate và emitter).
-
Nhiệt độ hoạt động: -40°C đến +150°C (Phạm vi nhiệt độ hoạt động của linh kiện).
-
Dòng điện trong chế độ chuyển mạch (Peak Current): Lên đến 100A trong thời gian ngắn.
-
Tần số chuyển mạch tối đa: Khoảng 20kHz (tùy vào các điều kiện làm việc và ứng dụng).
-
Điện trở ngưỡng (Vce(sat)): Khoảng 2V (Điện áp khi IGBT ở trạng thái “on”, giúp giảm tổn thất công suất).
-
Thời gian chuyển mạch: t(on) (khoảng 150ns) và t(off) (khoảng 150ns).

4. Kiểu Chân & Chức Năng Chân
PS21A79 có kiểu chân TO-220 hoặc TO-3P, có ba chân chính và một chân bảo vệ:
| Chân | Chức Năng |
|---|---|
| 1 | Gate (G): Chân điều khiển, được dùng để điều chỉnh trạng thái của IGBT (từ off sang on). |
| 2 | Collector (C): Chân thu, nơi dòng điện đi vào IGBT từ nguồn. |
| 3 | Emitter (E): Chân phát, nơi dòng điện đi ra khỏi IGBT và vào tải. |
Lưu ý: Một số phiên bản có thể có thêm các chân bảo vệ hoặc mạch tản nhiệt đặc biệt.
5. Chức Năng Linh Kiện
PS21A79 có các chức năng chính như sau:
-
Điều khiển công suất: IGBT này cho phép điều khiển dòng điện mạnh mẽ trong các mạch công suất cao.
-
Chuyển mạch nhanh: Với khả năng chuyển mạch nhanh, PS21A79 giúp giảm thiểu tổn thất năng lượng và tiết kiệm điện.
-
Khả năng chịu điện áp và dòng cao: Được thiết kế để chịu được các điện áp lên tới 600V và dòng điện lên tới 50A, giúp nó phù hợp với các ứng dụng công suất cao như điều khiển động cơ và các bộ biến tần.
-
Hiệu suất cao: Cung cấp khả năng chuyển mạch với hiệu suất cao, giảm thiểu sự tỏa nhiệt và tối ưu hóa hiệu suất của mạch.
6. Ứng Dụng
PS21A79 có thể được sử dụng trong nhiều ứng dụng công nghiệp và tiêu dùng như sau:
-
Điều khiển động cơ: Ứng dụng trong các bộ điều khiển động cơ, bao gồm cả động cơ AC và DC, giúp tối ưu hóa quá trình khởi động và dừng động cơ.
-
Bộ biến tần (Inverter): Dùng trong các hệ thống biến tần, chuyển đổi DC sang AC, giúp điều khiển tốc độ và mô-men xoắn của động cơ.
-
Nguồn điện công suất: Cung cấp nguồn điện ổn định và hiệu quả cho các hệ thống công nghiệp yêu cầu nguồn công suất cao.
-
Hệ thống năng lượng tái tạo: Được sử dụng trong các ứng dụng điện mặt trời, điều khiển và chuyển đổi điện năng từ hệ thống năng lượng tái tạo.
-
Các bộ nguồn AC-DC: Dùng trong các bộ nguồn điện công suất lớn, giúp chuyển đổi AC sang DC hiệu quả.
-
Ứng dụng ô tô: Có thể được sử dụng trong các hệ thống điện tử ô tô, như điều khiển động cơ điện và bộ sạc ắc-quy.
7. Kích Thước
PS21A79 có kiểu đóng gói TO-220, một trong những đóng gói phổ biến trong các ứng dụng công suất cao. Kích thước của IC trong đóng gói này là:
-
Chiều dài: Khoảng 10.5mm.
-
Chiều rộng: Khoảng 4.4mm.
-
Chiều cao: Khoảng 12.2mm.
-
Chân: 3 chân (Gate, Collector, Emitter).
Linh kiện này thường có chân dài hơn so với các linh kiện bán dẫn nhỏ khác để có thể dễ dàng gắn vào mạch và hệ thống tản nhiệt.

8. Cách Đo Đạc và Kiểm Tra
Để kiểm tra hoạt động của PS21A79, bạn có thể thực hiện các bước sau:
-
Kiểm tra điện áp Gate (Vge):
-
Đảm bảo rằng điện áp giữa chân Gate và Emitter (Vge) không vượt quá ±20V. Nếu điện áp quá cao có thể làm hỏng linh kiện.
-
-
Kiểm tra điện áp Collector-Emitter (Vce):
-
Đo điện áp giữa chân Collector và Emitter. Điện áp này không nên vượt quá 600V trong quá trình hoạt động bình thường.
-
-
Kiểm tra dòng điện (Ic):
-
Đảm bảo dòng điện qua chân Collector không vượt quá 50A. Bạn cũng có thể đo dòng điện trong chế độ chuyển mạch để kiểm tra sự hoạt động ổn định của IC.
-
-
Kiểm tra thời gian chuyển mạch:
-
Đo thời gian bật và tắt của IGBT, đảm bảo rằng nó chuyển mạch nhanh và không gây tổn thất năng lượng lớn.
-
-
Kiểm tra khả năng bảo vệ:
-
Đảm bảo rằng IC có thể chịu được các trường hợp quá dòng và quá nhiệt mà không bị hỏng.
-
-
Kiểm tra tản nhiệt:
-
Kiểm tra xem IC có bị quá nhiệt trong quá trình hoạt động hay không. Nếu có, cần phải sử dụng hệ thống tản nhiệt bổ sung.
-
9. Lưu Ý Khi Sử Dụng
-
Cung cấp nguồn điện đúng: Đảm bảo rằng điện áp cấp vào không vượt quá mức tối đa của IC (600V).
-
Tản nhiệt hiệu quả: Do IC hoạt động ở công suất cao, việc tản nhiệt tốt là rất quan trọng để tránh quá nhiệt.
-
Thận trọng với các điện áp và dòng cao: Các ứng dụng công suất cao yêu cầu sự chú ý đặc biệt đối với các nguy cơ gây hư hỏng linh kiện và đảm bảo an toàn khi làm việc với dòng điện cao.





















