1. Giới thiệu PS21565-P IGBT Mitsubishi 20A/600V
PS21565-P là module IGBT thông minh (Intelligent Power Module – IPM) do Mitsubishi Electric sản xuất.

Module này tích hợp IGBT công suất, mạch điều khiển (driver) và mạch bảo vệ nội bộ trong cùng một khối.
Thiết kế chuyên dụng cho bộ biến tần điều khiển động cơ 3 pha, máy công nghiệp, máy nén lạnh, servo drive, và nguồn xung công suất vừa.
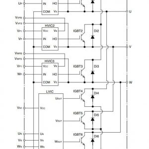
2. Cấu tạo
Bên trong module PS21565-P gồm 3 phần chính:
-
Khối công suất (Power Stage):
-
Gồm 6 IGBT công suất 600V – 20A, bố trí thành cầu 3 pha (Three-phase inverter).
-
Mỗi IGBT có diode hồi tiếp (Freewheeling diode) song song.
-
-
Khối điều khiển (Driver Circuit):
-
Mạch kích mở và tắt IGBT, cách ly điều khiển khỏi phần công suất.
-
Tích hợp logic bảo vệ ngắn mạch, quá dòng và quá nhiệt.
-
-
Khối bảo vệ (Protection Circuit):
-
Bảo vệ IGBT khi quá dòng (OC), quá nhiệt (OT), và lỗi điện áp (UV).
-
Tích hợp chân báo lỗi (FAULT output).
-
Cấu trúc tổng thể là Inverter 3 pha hoàn chỉnh chỉ cần thêm mạch điều khiển logic bên ngoài.

3. Thông số kỹ thuật
| Thông số | Giá trị | Đơn vị |
|---|---|---|
| Điện áp cực đại (Vces) | 600 | V |
| Dòng định mức (Ic) | 20 | A |
| Dòng đỉnh xung (Icp) | 40 | A |
| Điện áp điều khiển cổng (Vge) | ±20 | V |
| Điện áp rơi bão hòa (Vce(sat)) @ Ic=20A | ≈ 1.8 | V |
| Điện áp diode thuận (Vf) | ≈ 1.4 | V |
| Nhiệt độ hoạt động (Tj) | -20 ~ +125 | °C |
| Công suất tổn hao (Ptot) | 50 | W |
| Điện áp cấp mạch điều khiển (Vcc) | 15 | V |
| Tích hợp bảo vệ ngắn mạch & quá nhiệt | Có | |
| Loại module | 3-phase IGBT IPM | |
| Hãng sản xuất | Mitsubishi Electric |
4. Kiểu chân & chức năng từng chân
PS21565-P có 23 chân (pin) theo chuẩn IPM Mitsubishi, chia thành 2 nhóm: điều khiển và công suất.
| Ký hiệu | Chức năng | Mô tả |
|---|---|---|
| U, V, W | Ngõ ra 3 pha | Xuất điện áp điều khiển động cơ |
| P | Cực dương DC (nguồn bus) | Nối nguồn DC+ |
| N | Cực âm DC (nguồn bus) | Nối mass DC- |
| VCC | Nguồn điều khiển | +15V cấp cho mạch điều khiển |
| COM | Mass điều khiển | Nối mass logic |
| IN(U), IN(V), IN(W) | Tín hiệu điều khiển pha U, V, W | Xung logic mở/tắt IGBT |
| FO | Fault Output | Ngõ báo lỗi bảo vệ (OC/OT) |
| VOT | Nguồn giám sát quá nhiệt | Ngõ ra cảnh báo nhiệt độ |
| VB1, VB2, VB3 | Nguồn cấp phần high-side | Dùng cho 3 IGBT phía trên cầu |
| VS1, VS2, VS3 | Điểm nối trung gian | Giữa high-side và low-side |
| NC | Không kết nối | Dự phòng |
⚙️ Ghi chú: Sơ đồ chân có thể thay đổi nhẹ giữa các đời PS21565-P hoặc PS21565-P(1).
5. Chức năng linh kiện
-
Biến đổi điện DC sang AC 3 pha để điều khiển động cơ.
-
Điều khiển PWM tốc độ và mô-men của động cơ không đồng bộ hoặc servo.
-
Bảo vệ tự động khi lỗi ngắn mạch, quá dòng, quá nhiệt.
-
Giảm kích thước mạch công suất nhờ tích hợp IGBT + Driver + Bảo vệ trong một module.
-
Tối ưu hiệu suất và độ tin cậy cao cho hệ thống biến tần.
6. Ứng dụng
-
Biến tần điều khiển động cơ 3 pha công suất nhỏ – trung bình.
-
Máy giặt, máy nén, quạt công nghiệp, điều hòa inverter.
-
Servo drive, robot công nghiệp.
-
Nguồn nghịch lưu DC-AC, UPS.
-
Bộ điều khiển tốc độ động cơ DC không chổi than (BLDC).
7. Kích thước (tham khảo)
-
Chiều dài: 79 mm
-
Chiều rộng: 37 mm
-
Chiều cao: 8 mm
-
Khoảng cách giữa các chân: 2.54 mm (chuẩn DIP)
-
Trọng lượng: ~60 g
(Kích thước có thể khác nhẹ giữa các phiên bản hoặc lô sản xuất)
8. Cách đo đạc & kiểm tra
a. Dụng cụ cần:
-
Đồng hồ vạn năng (thang đo diode hoặc ohm).
-
Nguồn 15V DC nếu cần kích hoạt thử.
b. Kiểm tra diode hồi tiếp
-
Đặt thang diode.
-
Đo giữa Collector – Emitter của từng IGBT.
-
Chiều thuận diode: hiển thị khoảng 0.4–0.6 V.
-
Chiều ngược: OL (không dẫn).
c. Kiểm tra IGBT
-
Dùng đồng hồ kim, chạm đầu đỏ vào E, đầu đen vào C.
-
Nạp điện cổng G-E (dùng đầu dò hoặc nguồn 15V).
-
Nếu C-E dẫn → IGBT hoạt động.
-
Xả G-E → C-E ngắt → IGBT bình thường.
⚠️ Lưu ý:
Không kiểm tra module khi đang cấp điện áp DC bus.
Không dùng nguồn quá 15V cho chân điều khiển.
Khi thử tải, cần tản nhiệt đầy đủ và driver cách ly.



















