🔎 1. Miêu tả sản phẩm
MIC4422YM là một MOSFET Driver công suất cao, tốc độ cao, do Microchip Technology (trước đây là Micrel) sản xuất.
-
Là driver single-channel (1 kênh), ngõ ra cực mạnh (±9A peak).
-
Được thiết kế để điều khiển MOSFET kênh N công suất hoặc IGBT, trong các mạch nguồn xung, biến tần, điều khiển động cơ.
-
Đóng gói SOIC-8 (YM: Surface-mount).
🔎 2. Thông số kỹ thuật chính
-
Điện áp cung cấp (VDD): 4.5V → 18V.
-
Dòng ngõ ra cực đại (peak output): ±9A (source & sink).
-
Thời gian trễ lan truyền (Propagation delay): ~25 ns.
-
Rise/Fall time: ~25 ns với tải 1000 pF.
-
Điện trở ngõ ra (Rout): ~1.4 Ω khi kéo xuống, ~2.5 Ω khi kéo lên.
-
Nhiệt độ hoạt động: –40°C → +125°C.
-
Dòng tĩnh (Iq): <1 mA.
-
Đóng gói (MIC4422YM): SOIC-8.
🔎 3. Cấu tạo bên trong
-
Bộ đệm logic đầu vào: nhận tín hiệu từ vi điều khiển / PWM controller.
-
Mạch khuếch đại dòng push-pull: tạo khả năng cấp/xả dòng cực mạnh để nạp/xả nhanh điện dung cổng MOSFET.
-
Bảo vệ nội bộ: chống rung (latch-up), bảo vệ ngắn mạch tạm thời.
-
Ngõ ra totem-pole: vừa có thể kéo lên (source) vừa có thể kéo xuống (sink).
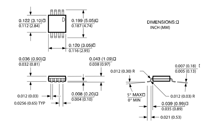
🔎 4. Kích thước (SOIC-8 – YM)
-
Chiều dài: ~4.9 mm
-
Chiều rộng: ~3.9 mm
-
Độ cao: ~1.5 mm
-
Pitch (khoảng cách chân): 1.27 mm
🔎 5. Chức năng
-
Làm driver trung gian giữa mạch điều khiển logic (MCU, PWM IC) và MOSFET/IGBT công suất.
-
Nạp/xả nhanh điện dung cổng MOSFET → giúp MOSFET đóng/cắt nhanh, giảm tổn hao chuyển mạch.
-
Cho phép điều khiển tải công suất cao, tần số cao một cách hiệu quả.
🔎 6. Ứng dụng
-
Nguồn xung SMPS, DC-DC Converter.
-
Biến tần, UPS, điều khiển động cơ.
-
Nguồn năng lượng mặt trời, nghịch lưu.
-
Mạch lái MOSFET/IGBT tốc độ cao.
-
Bộ chuyển đổi công suất trong ô tô điện, công nghiệp.
🔎 7. Cách kiểm tra MIC4422YM
a. Ngoài mạch (dùng đồng hồ số)
-
Đo trở kháng giữa VDD – GND → không chập.
-
Đo giữa chân IN – GND → trở kháng cao.
-
Đo giữa OUT – GND → không được chập (khi chưa cấp nguồn).
👉 Nếu có hiện tượng chập → IC hỏng.
b. Trong mạch (test hoạt động)
-
Cấp nguồn VDD = 12V, GND nối đất.
-
Cấp tín hiệu xung vuông (5V, 10 kHz – 100 kHz) vào chân IN.
-
Dùng oscilloscope quan sát tại chân OUT:
-
Biên độ xung gần bằng VDD (≈ 12V).
-
Độ trễ <30 ns.
-
Xung sắc nét (rise/fall time ~25 ns).
👉 Nếu đầu ra không theo tín hiệu vào → IC lỗi.
-
✅ Tóm lại: MIC4422YM là MOSFET driver 1 kênh, ±9A, tốc độ cao, đóng gói SOIC-8, chuyên dùng để điều khiển MOSFET/IGBT công suất trong nguồn xung và mạch công suất cao.
Xem thêm các sản phẩm IC chuyên dụng khác














