🔎 1. Giới thiệu IC LM339N
LM339N là một IC so sánh điện áp (Voltage Comparator) gồm 4 bộ so sánh độc lập trong cùng một vỏ DIP-14.
-
Sản xuất bởi Texas Instruments, STMicroelectronics, ON Semiconductor và nhiều hãng khác.
-
Là dòng comparator thông dụng, giá rẻ, dùng rộng rãi trong mạch đo lường, bảo vệ, điều khiển công suất.
🔎 2. Cấu tạo IC LM339N
-
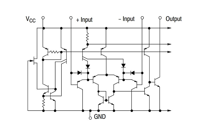
IC có 4 khối comparator độc lập (giống op-amp nhưng chuyên dùng so sánh).
-
Mỗi comparator có:
-
2 ngõ vào:
-
V+ (non-inverting input)
-
V– (inverting input)
-
-
1 ngõ ra dạng open-collector (chỉ kéo xuống mass, cần điện trở kéo lên Vcc).
-
-
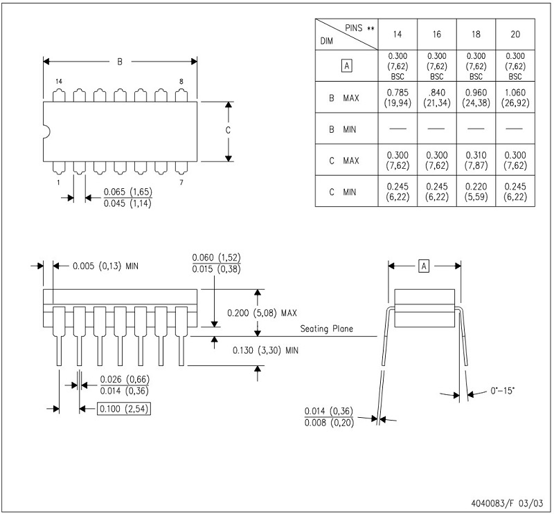
Vỏ DIP-14 chân:
-
4 comparator chia đều các chân vào/ra.
-
Vcc cấp nguồn (chân 3), GND (chân 12).
-
🔎 3. Thông số kỹ thuật chính IC LM339N
-
Điện áp nguồn (Vcc): 2V → 36V (rộng, dùng cho cả 5V và 12V).
-
Dòng tiêu thụ thấp: ~1 mA.
-
Ngõ vào: hoạt động từ 0V đến (Vcc – 1.5V).
-
Ngõ ra: dạng open-collector, kéo dòng tối đa 16mA.
-
Thời gian đáp ứng: ~1 µs.
-
Nhiệt độ hoạt động: –40°C đến +85°C (LM339N công nghiệp).
-
Đóng gói: DIP-14, SO-14.
🔎 4. Chức năng IC LM339N
-
So sánh hai tín hiệu điện áp:
-
Nếu V+ > V– → ngõ ra mức cao (logic 1).
-
Nếu V+ < V– → ngõ ra mức thấp (logic 0).
-
-
Nhờ có 4 comparator trong một chip, LM339N có thể:
-
So sánh nhiều tín hiệu cùng lúc.
-
Dùng làm mạch giám sát điện áp, tạo sóng vuông, phát hiện mức tín hiệu.
-
🔎 5. Ứng dụng IC LM339N
-
Mạch bảo vệ nguồn: chống quá áp, thấp áp, bảo vệ pin.
-
Bộ so sánh ngưỡng trong UPS, biến tần, SMPS.
-
Mạch PWM, tạo sóng vuông.
-
Mạch bảo vệ sạc pin (so sánh điện áp cell pin).
-
Mạch điều khiển công suất, cảm biến, đo lường công nghiệp.
🔎 6. Cách kiểm tra LM339N
a. Kiểm tra bằng đồng hồ (thang diode)
-
Không thể đo trực tiếp như transistor, nhưng có thể kiểm tra sơ bộ chân Vcc – GND: điện trở phải cao (không chập).
b. Kiểm tra thực tế trên mạch (hoặc test ngoài)

-
Cấp nguồn 5V – 12V vào chân Vcc (3), GND (12).
-
Kết nối một comparator:
-
Ngõ vào V+ nối với biến trở để điều chỉnh điện áp test.
-
Ngõ vào V– nối điện áp chuẩn (ví dụ 2.5V).
-
Ngõ ra có điện trở 10k kéo lên Vcc.
-
-
Quan sát ngõ ra:
-
Nếu V+ > V– → ngõ ra lên mức cao (≈Vcc).
-
Nếu V+ < V– → ngõ ra kéo xuống thấp (≈0V).
-
-
Lặp lại với 3 comparator còn lại.
👉 Nếu IC không chuyển trạng thái hoặc luôn ở 1 mức → hỏng.
🔎 7. Kích thước LM339N

✅ Tóm lại: LM339N là IC so sánh điện áp 4 kênh, có ưu điểm nguồn rộng, tiêu thụ thấp, ngõ ra open-collector. Nó được ứng dụng nhiều trong mạch bảo vệ, đo lường, điều khiển công suất. Việc kiểm tra cần cấp nguồn và so sánh điện áp test chứ không chỉ đo bằng đồng hồ thông thường.
Xem thêm: Tham khảo các dòng IC Opam khác













