🧩 1. Giới thiệu chung – IC LM2574N-5.0 P+ (IC nguồn, DIP-8)
LM2574N-5.0 P+ là IC ổn áp chuyển mạch hạ áp (Step-Down Switching Regulator) do Texas Instruments sản xuất (trước đây bởi National Semiconductor).
IC này được thiết kế để chuyển đổi điện áp đầu vào cao xuống mức điện áp ổn định 5.0V DC, với dòng tải tối đa 0.5A, hiệu suất lên tới 88%.
Khác với IC ổn áp tuyến tính (như 7805), LM2574 hoạt động theo nguyên lý PWM (Pulse Width Modulation), giúp:
-
Giảm tổn hao công suất,
-
Tỏa nhiệt thấp,
-
Hiệu suất cao ngay cả khi chênh lệch điện áp lớn.
Ứng dụng tiêu biểu:
Mạch nguồn 5V cho vi điều khiển, thiết bị đo lường, hệ thống điều khiển tự động, và nguồn DC-DC cho các thiết bị di động hoặc công nghiệp.

⚙️ 2. Cấu tạo và nguyên lý hoạt động – IC LM2574N-5.0 P+ (DIP-8)
Cấu tạo bên trong:
-
Bộ dao động nội (oscillator) tạo tần số PWM cố định (52 kHz).
-
Bộ khuếch đại sai số (error amplifier) so sánh điện áp ra với điện áp chuẩn 5.0V.
-
Bộ công tắc công suất (switch transistor) điều khiển dòng qua cuộn cảm.
-
Mạch bảo vệ quá dòng, quá nhiệt, và ngắn mạch.
Nguyên lý hoạt động:
-
Khi tải cần dòng, transistor bên trong đóng ngắt nhanh (theo chu kỳ PWM).
-
Cuộn cảm và diode chỉnh lưu (ngoài IC) tạo điện áp DC ổn định 5V.
-
Khi tải giảm, chu kỳ dẫn (duty cycle) giảm để giữ ổn định điện áp đầu ra.
📊 3. Thông số kỹ thuật – IC LM2574N-5.0 P+ (IC nguồn, DIP-8)

| Thông số | Ký hiệu | Giá trị / Dải hoạt động | Ghi chú |
|---|---|---|---|
| Điện áp đầu vào tối đa | Vin(max) | 40 VDC | Điện áp đầu vào giới hạn |
| Điện áp đầu ra danh định | Vout | 5.0 V ±4% | Cố định (fixed output) |
| Dòng tải tối đa | Iout(max) | 0.5 A | 500 mA liên tục |
| Tần số dao động nội | fosc | 52 kHz | Chuẩn PWM |
| Hiệu suất chuyển đổi | η | Lên đến 88% | Phụ thuộc tải |
| Điện áp rơi thấp nhất (Dropout) | ~1.3V | Giữa Vin và Vout | |
| Dòng tiêu thụ không tải | Iq | 5 mA | Rất thấp |
| Chế độ bảo vệ | Quá nhiệt, quá dòng, ngắn mạch | Tích hợp nội | |
| Dải nhiệt độ hoạt động | Topr | -40°C → +125°C | Công nghiệp |
| Kiểu vỏ | DIP-8 | Gắn xuyên lỗ (Through Hole) | |
| Điện áp tham chiếu nội | Vref | 1.23 V | So sánh trong mạch phản hồi |
🔌 4. Sơ đồ chân và ký hiệu – IC LM2574N-5.0 P+ (DIP-8)

Chức năng các chân:
| Chân | Ký hiệu | Tên gọi | Chức năng |
|---|---|---|---|
| 1 | FB (Feedback) | Phản hồi | Nhận tín hiệu điện áp đầu ra để so sánh với điện áp chuẩn 1.23V. |
| 2 | SIG GND | Mass tín hiệu | GND cho phần điều khiển nội và tham chiếu tín hiệu. |
| 3 | ON/OFF | Bật/Tắt | Mức logic cao ( > 2V ): tắt IC; thấp ( < 1.3V ): bật IC. |
| 4 | PWR GND | Mass công suất | Nối đất cho mạch công suất và tải. |
| 5 | VIN | Nguồn vào | Cấp điện áp đầu vào (4.75V – 40V). |
| 6 | N/C* | — | Không kết nối, có thể nối mass để tản nhiệt. |
| 7 | OUTPUT (SW) | Ngõ ra chuyển mạch | Nối tới cuộn cảm, diode và tải (ngõ ra xung PWM). |
| 8 | N/C* | — | Không kết nối, dùng làm mặt tản nhiệt. |
🧠 5. Chức năng và nguyên lý hoạt động – IC LM2574N-5.0 P+ (IC nguồn, DIP-8)
Chức năng chính:
-
Ổn định điện áp đầu ra 5.0V từ nguồn vào cao (12V, 24V, 36V, v.v.)
-
Giảm tổn thất công suất so với IC tuyến tính.
-
Bảo vệ mạch khỏi hư hại do quá dòng hoặc ngắn mạch.
-
Có thể bật/tắt nguồn điều khiển bằng chân ON/OFF.
Cơ chế điều khiển:
-
Khi điện áp ra giảm → PWM tăng duty cycle → tăng năng lượng truyền qua cuộn cảm.
-
Khi điện áp ra tăng → PWM giảm duty cycle → ổn định lại ở 5V.
-
Quá nhiệt hoặc quá dòng → IC tự ngắt để bảo vệ.
💡 6. Ứng dụng thực tế – IC LM2574N-5.0 P+ (IC nguồn, DIP-8)
| Ứng dụng | Vai trò của LM2574N-5.0 |
|---|---|
| Nguồn ổn áp DC-DC | Tạo điện áp 5V từ nguồn 12V, 24V, 36V. |
| Nguồn cho vi điều khiển | Cung cấp 5V ổn định cho MCU, cảm biến, module. |
| Thiết bị công nghiệp | Ổn định nguồn trong bộ điều khiển hoặc cảm biến. |
| Mạch nguồn cho thiết bị đo lường | Cấp điện áp chính xác cho mạch đo tín hiệu. |
| Nguồn di động hoặc nguồn phụ trợ | Giảm áp trong hệ thống pin hoặc nguồn dự phòng. |
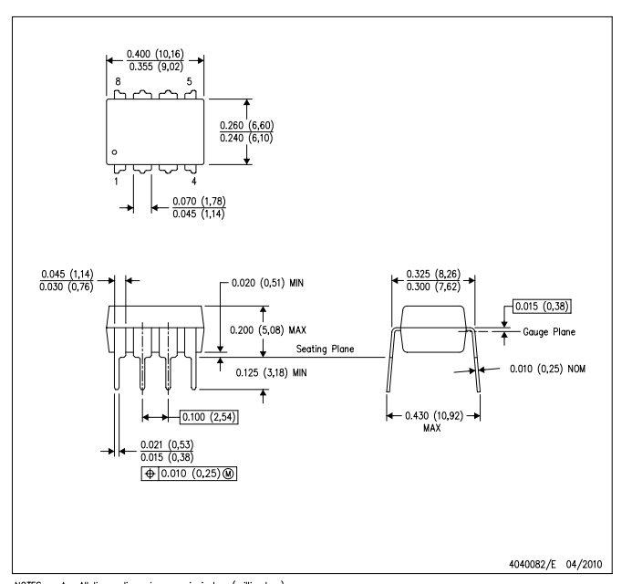
📏 7. Kích thước vật lý – IC LM2574N-5.0 P+ (DIP-8)

| Thông số | Kích thước (mm) | Ghi chú |
|---|---|---|
| Chiều dài thân IC | 9.8 – 10.2 mm | Chuẩn DIP-8 |
| Chiều rộng thân | 6.3 – 6.6 mm | |
| Chiều cao tổng | 3.3 – 4.5 mm | |
| Khoảng cách chân (pitch) | 2.54 mm | Chuẩn xuyên lỗ |
| Chiều dài chân | 3.0 – 3.8 mm | |
| Số chân | 8 | Gắn xuyên lỗ |
🧪 8. Cách đo và kiểm tra – IC LM2574N-5.0 P+ (IC nguồn, DIP-8)
A. Dụng cụ cần thiết
-
Nguồn DC điều chỉnh (0–30V).
-
Đồng hồ đo điện áp.
-
Tải giả (resistor 10Ω–50Ω).
-
Cuộn cảm và diode Schottky theo sơ đồ chuẩn.
B. Kiểm tra hoạt động
-
Cấp Vin = 12V DC vào chân 1 (Vin) và chân 3 (GND).
-
Nối mạch ngoại vi cơ bản:
-
Cuộn cảm L = 330µH,
-
Diode Schottky 1N5819,
-
Tụ lọc đầu ra 330µF.
-
-
Đo điện áp tại đầu ra → phải xấp xỉ 5.0V ổn định.
-
Nếu điện áp thấp hoặc dao động mạnh → kiểm tra tải, cuộn cảm, diode, hoặc chân FB.
C. Lưu ý khi sử dụng
-
Cần tụ lọc đầu vào 100µF và tụ lọc đầu ra 330µF để ổn định.
-
Chọn cuộn cảm đúng giá trị (330µH) để hạn chế gợn sóng.
-
Nên dùng diode Schottky (VD1) có dòng ≥ 1A, điện áp ngược ≥ 40V.
-
Giữ tản nhiệt tốt, đặc biệt khi hoạt động gần 0.5A.
-
Tránh nối ngược cực nguồn để bảo vệ IC.
Datasheet LM2574









