Bài viết này RITECH sẽ hướng dẫn quý vị và các bạn cách cài đặt biến tần TOSHIBA VF S15.
RESET biến tần về chế độ mặc định nhà sản xuất : tyP = 3.
- Cách đặt lệnh : Ấn MODE => Xoay núm xoay hàm tyP => Ấn ENTER(nút tròn ở giữa núm xoay) rồi xoay núm xoay thay đổi giá trị bên phải màn hình thành 3 rồi ấn ENTER màn hình hiển thị In It đến khi màn hình hiển thị 0.0 là biến tần đã reset về mặc định nhà sản xuất.
Cách cài đặt lệnh RUN/STOP và điều chỉnh tần số trên bàn phím :
- Lệnh RUN/STOP: CnOd = 1.
- Cách đặt lệnh : Ấn MODE => Xoay biến trở tìm hàm CnOd => Ấn ENTER(nút tròn ở giữa núm xoay) => Xoay biến trở để đặt giá trị 1 => Ấn ENTER để lưu => Ấn phím MODE để thoát.
- Lệnh đặt tần số trên bàn phím: FnOd = 0.
- Cách đặt lệnh : Ấn MODE hiện => Xoay biến trở tìm hàm FnOd => Ấn ENTER(nút tròn ở giữa núm xoay) => Xoay biến trở đặt giá trị 0 => Ấn ENTER để lưu => Ấn phím MODE để thoát.
- Thực hiện lệnh chạy : Ấn RUN để chạy, xoay núm xoay đặt tần số, ấn STOP để dừng.
Cách cài đặt lệnh RUN/STOP bằng terminal (thiết bị bên ngoài) và điều chỉnh tần số bằng biến trở :
- Trước tiên, quý vị cài hàm F111 = 2 bằng cách : Ấn MODE => Xoay biến trở tìm hàm F1— => Ấn ENTER(nút tròn ở giữa núm xoay) rồi dùng núm xoay tìm hàm F111 => Ấn ENTER => Dùng núm xoay đặt giá trị 2 => Ấn ENTER để lưu => Ấn phím MODE để thoát.
- Lệnh RUN/STOP: CnOd = 0.
- Cách đặt lệnh : Ấn MODE => Dùng núm xoay tìm hàm CnOd => Ấn ENTER(nút tròn ở giữa núm xoay) => Dùng núm xoay đặt giá trị 0 => Ấn ENTER để lưu => Ấn phím MODE để thoát.
- Lệnh đặt tần số bằng biến trở : FnOd = 1.
- Cách đặt lệnh : Ấn MODE => Dùng núm xoay tìm hàm FnOd => Ấn ENTER(nút tròn ở giữa núm xoay) => Dùng núm xoay đặt giá trị 1 => Ấn ENTER để lưu => Ấn phím MODE để thoát.
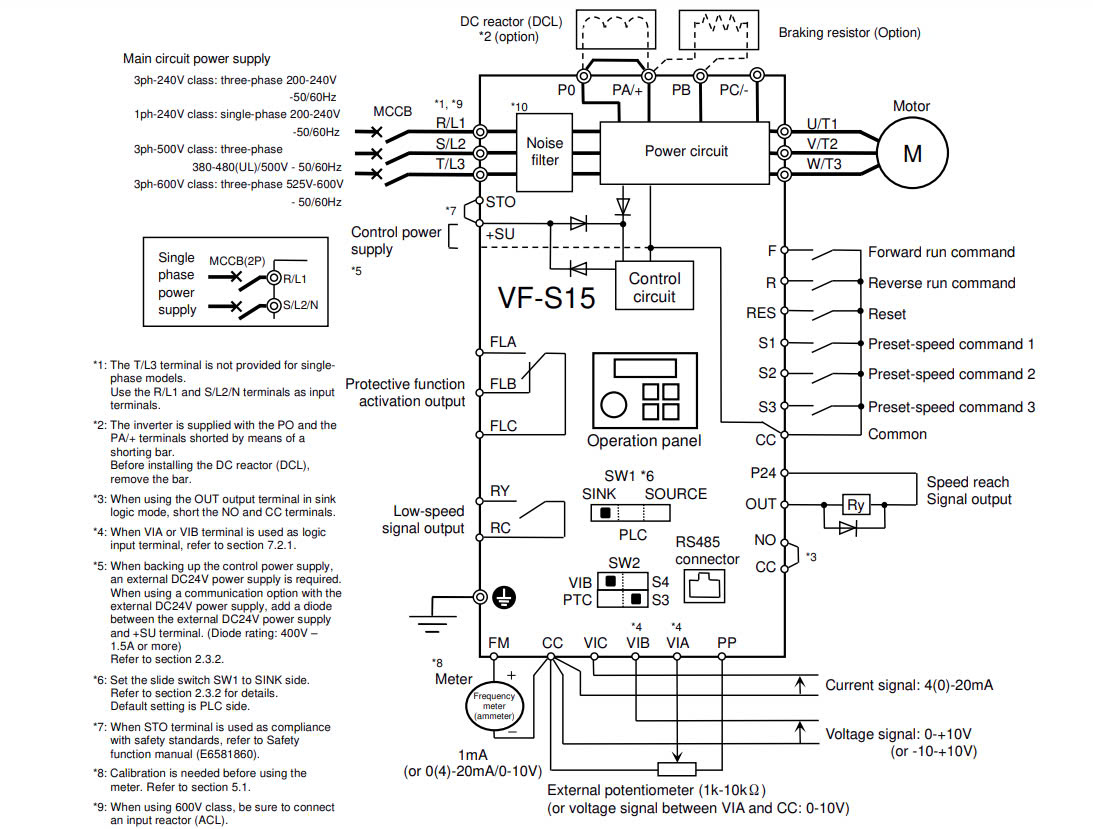
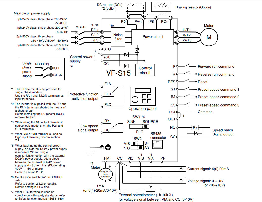
- Đấu nối biến trở : Chân giữa của biến trở nối với VIA, 2 chân còn lại nối với CC và PP (khi xoay biến trở lên mà tần số đi xuống thì ta đảo hai chân này cho nhau).
- Thực hiện lệnh chạy : Nối CC với F để chạy, xoay biến trở để đặt tần số, ngắt CC với F để dừng.

Sơ đồ đấu dây chế độ Sink 
Sơ đồ đấu dây chế độ Source Lưu ý : Tùy thuộc vào chế độ Sink hay Source mà gạt công tắc trên main điều khiển cho phù hợp.
Cài đặt chạy thuận, nghịch :
- Để cài đặt chạy thuận, nghịch quý vị phải cài chân chạy thuận, nghịch, ngoài ra quý vị phải cài hàm F311 = 0 để cho phép biến tần chạy cả 2 chiều.
- Trước tiên, quý vị phải cài các hàm giống trong phần đặt lệnh RUN/STOP bằng terminal (thiết bị ngoài) và lấy tần số bằng biến trở.
- Cài chân chạy thuận, quý vị cài hàm F111 = 2 bằng cách : Ấn MODE => Dùng núm xoay tìm hàm F- – – => Ấn ENTER(nút tròn ở giữa núm xoay) rồi xoay núm xoay tìm hàm F111 => Ấn ENTER => Dùng núm xoay để đặt giá trị 2 => Ấn ENTER để lưu => Ấn phím MODE để thoát.
- Cài chân chạy nghịch, quý vị cài hàm F112 = 3 bằng cách : Ấn MODE => Dùng núm xoay tìm hàm F- – – => Ấn ENTER(nút tròn ở giữa núm xoay) rồi ấn phím lên tìm hàm F112 => Ấn ENTER => Dùng núm xoay để đặt giá trị 3 => Ấn ENTER để lưu => Ấn phím MODE để thoát.
- Để biến tần chạy cả 2 chiều, quý vị cài hàm F311 = 0 bằng cách : Ấn MODE => Dùng núm xoay tìm hàm F- – – => Ấn ENTER(nút tròn ở giữa núm xoay) rồi dùng núm xoay tìm hàm F311 => Ấn ENTER => Dùng núm xoay để đặt giá trị 0 => Ấn ENTER để lưu => Ấn phím MODE để thoát.
- Lưu ý : Để chạy thuận, ta phải ngắt chạy nghịch trước và chờ động cơ dừng hẳn thì thực hiện lệnh chạy nghịch và ngược lại.
- Thực hiện lệnh chạy : Nối CC với F để chạy thuận, xoay biến trở để đặt tần số. Để chạy nghịch, ngắt CC với F, rồi nối CC với R.
Cài đặt thời gian tăng tốc, giảm tốc :
- Thời gian tăng tốc : ACC.
- Cách đặt lệnh : Ấn MODE => DÙng núm xoay tìm hàm ACC => Ấn ENTER(nút tròn ở giữa núm xoay) => Dùng núm xoay để đặt giá trị => Ấn ENTER để lưu => Ấn phím MODE để thoát.
- Thời gian giảm tốc : dEC.
- Cách đặt lệnh : Ấn MODE => Dùng núm xoay tìm hàm dEC => Ấn ENTER(nút tròn ở giữa núm xoay) => Dùng núm xoay để đặt giá trị => Ấn ENTER để lưu => Ấn phím MODE để thoát.
Cài đặt tần số MAX : FH.
- Cách đặt lệnh : Ấn MODE => Dùng núm xoay tìm hàm FH => Ấn ENTER(nút tròn ở giữa núm xoay) rồi dùng núm xoay để đặt giá trị mà bạn muốn => Ấn ENTER để lưu => Ấn phím MODE để thoát.
Copy và tải thông số vào biến tần :
- Để copy thông số từ biến tần lên màn hình quý vị đặt hàm tyP = 7, để tải thông số từ màn hình biến tần vào biến tần quý vị đặt hàm tyP = 8.
Cài đặt quạt làm mát : F620
- 0 Quạt chạy dựa vào nhiệt độ tản nhiệt.
- 1 Quạt luôn chạy khi cấp nguồn cho biến tần.
- Cách đặt lệnh : Ấn MODE => Dùng núm xoay tìm hàm F6– => Ấn ENTER(nút tròn ở giữa núm xoay) => Dùng núm xoay tìm hàm F620 => Ấn ENTER => Dùng núm xoay đặt giá trị => Ấn ENTER để lưu => Ấn phím MODE để thoát.
Cài đặt chạy cấp tốc độ : Để chạy cấp tốc độ thì quý vị phải cài các chân cấp tốc độ và tần số ở các cấp tốc độ tương ứng.
- Trước tiên, quý vị phải cài các hàm giống trong phần đặt lệnh RUN/STOP bằng terminal (thiết bị ngoài) và lấy tần số bằng biến trở.
- Để cài các chân điều khiển cấp tốc độ thì quý vị vào các hàm F114(chân S1), F115(chân S2), F116(chân S3), F117(chân VIB) rồi đặt các giá trị tương ứng là 6, 7, 8, 9 bằng cách : Ấn MODE => Xoay núm xoay tìm hàm F1 – – => Ấn ENTER(nút tròn ở giữa núm xoay) => Dùng núm xoay tìm các hàm như trên rồi ấn ENTER = > Dùng núm xoay để đặt các giá trị tương ứng => Ấn ENTER để xác nhận => Ấn MODE để quay về.
- Để cài tần số cấp độ từ 1 đến 7 thì quý vị vào các hàm Sr1 đến Sr7 bằng cách : Ấn MODE => Dùng núm xoay tìm các hàm như trên rồi ấn ENTER(nút tròn ở giữa núm xoay) = > Dùng núm xoay để đặt các tần số tương ứng với cấp tốc độ mà quý vị mong muốn => Ấn ENTER để xác nhận => Ấn MODE để quay về.
- Để cài tần số cấp độ từ 8 đến 15 thì quý vị vào các hàm từ F287 đến F294 bằng cách : Ấn MODE => Dùng núm xoay tìm hàm F2 – – => Ấn ENTER => Dùng núm xoay tìm các hàm như trên rồi ấn ENTER = > Dùng núm xoay để đặt các tần số tương ứng với cấp tốc độ mà bạn mong muốn => Ấn ENTER để xác nhận => Ấn MODE để quay về.
- Chạy cấp tốc độ 1 : Nối CC với S1, rồi nối CC với F(chạy thuận) hoặc R(chạy nghịch) tùy quý vị.
- Chạy cấp tốc độ 2 : Nối CC với S2, rồi nối CC với F(chạy thuận) hoặc R(chạy nghịch) tùy quý vị.
- Chạy cấp tốc độ 3 : Nối CC với S1, S2, rồi nối CC với F(chạy thuận) hoặc R(chạy nghịch) tùy quý vị.
- Chạy cấp tốc độ 4 : Nối CC với S3, rồi nối CC với F(chạy thuận) hoặc R(chạy nghịch) tùy quý vị.
- Chạy cấp tốc độ 5 : Nối CC với S1, S3, rồi nối CC với F(chạy thuận) hoặc R(chạy nghịch) tùy quý vị.
- Chạy cấp tốc độ 6 : Nối CC với S2, S3, rồi nối CC với F(chạy thuận) hoặc R(chạy nghịch) tùy quý vị.
- Chạy cấp tốc độ 7 : Nối CC với S1,S2 và S3, rồi nối CC với F(chạy thuận) hoặc R(chạy nghịch) tùy quý vị.
- Chạy cấp tốc độ 8 : Nối CC với VIB, rồi nối CC với F(chạy thuận) hoặc R(chạy nghịch) tùy quý vị.
- Chạy cấp tốc độ 9 : Nối CC với S1, VIB, rồi nối CC với F(chạy thuận) hoặc R(chạy nghịch) tùy quý vị.
- Chạy cấp tốc độ 10 : Nối CC với S2, VIB, rồi nối CC với F(chạy thuận) hoặc R(chạy nghịch) tùy quý vị.
- Chạy cấp tốc độ 11 : Nối CC với S1, S2 và VIB, rồi nối CC với F(chạy thuận) hoặc R(chạy nghịch) tùy quý vị.
- Chạy cấp tốc độ 12 : Nối CC với S3, VIB, rồi nối CC với F(chạy thuận) hoặc R(chạy nghịch) tùy quý vị.
- Chạy cấp tốc độ 13 : Nối CC với S1, S3 và VIB, rồi nối CC với F(chạy thuận) hoặc R(chạy nghịch) tùy quý vị.
- Chạy cấp tốc độ 14 : Nối CC với S2, S3 và VIB, rồi nối CC với F(chạy thuận) hoặc R(chạy nghịch) tùy quý vị.
- Chạy cấp tốc độ 15 : Nối CC với S1,S2, S3 và VIB, rồi nối CC với F(chạy thuận) hoặc R(chạy nghịch) tùy quý vị.

A cho e hỏi đồng hồ chỉnh tốc độ media báo lỗi CON.E là lỗi gì ạ ?cách sest như thế nào ak