1. Giới thiệu Opto driver A2601
-
Tên & ký hiệu: A2601, hay HCPL-2601 / 6N137 / Avago-A2601.
-
Loại: Optocoupler tốc độ cao, logic gate optocoupler — gồm LED bên input và bộ thu transistor tốc độ cao bên output.
-
Chức năng chính: Cách ly quang giữa mạch điều khiển và mạch số / công suất, truyền tín hiệu logic tốc độ cao, thường dùng để điều khiển logic, chuyển mạch, truyền tín hiệu trong môi trường có nhiễu cao.

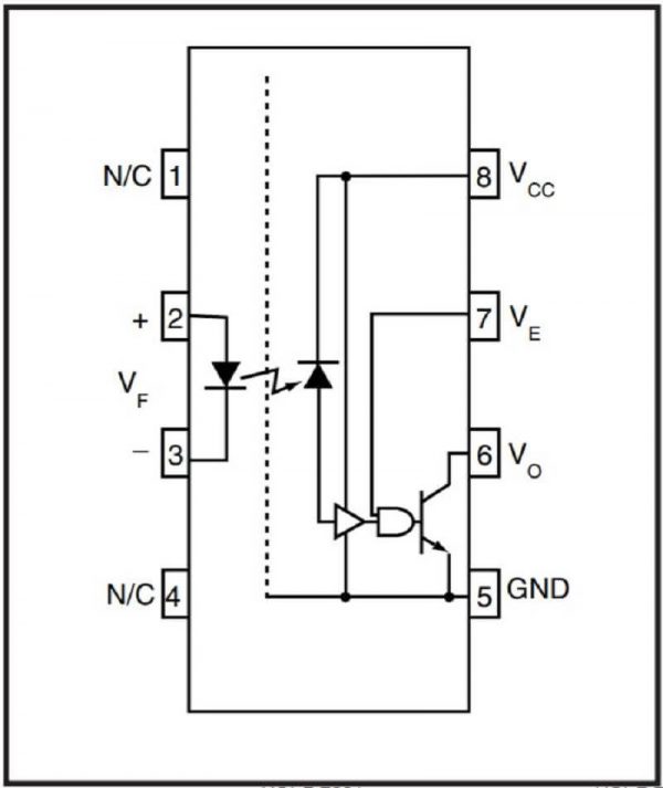
2. Cấu tạo bên trong Opto driver A2601
-
LED phát quang (infra-red) bên phía input. Khi LED này được cấp điện, phát sáng.
-
Photodetector cao gain hoặc bộ thu quang có transistor Schottky-clamped (transistor ngõ ra có diode Schottky kẹp) để cải thiện tốc độ chuyển mạch.
-
Mạch đệm (bypass / filter) giữa chân cấp nguồn (Vcc) và đất để giảm nhiễu, ổn định tín hiệu.
-
Vỏ cách ly, thường package DIP-8 hoặc SOP-8 tùy phiên bản.

3. Thông số kỹ thuật của Opto driver A2601
| Thông số | Giá trị điển hình / ghi chú |
|---|---|
| Điện áp cách ly (Isolation Voltage) | Theo datasheet, sản phẩm đạt tiêu chuẩn cách ly cao; có các chọn version “5000 Vrms / 1 phút” cho một số model giống HCPL-2601. |
| Tốc độ truyền / Propagation Delay | Thấp — optocoupler tốc độ cao. Ví dụ, tPLH / tPHL thường khoảng vài ns đến vài chục ns (tuỳ điều kiện). |
| Dòng LED input (IF) | Khoảng vài mA (thường 1-10 mA) để LED hoạt động; để đạt tốc độ cao cần đủ dòng. |
| Tín hiệu ngõ ra | Transistor mở thu (open collector) hoặc output có transistor cùng diode kẹp Schottky để giảm thời gian tắt. |
| Sai số / độ ổn định | Đạt độ ổn định logic tốt, hoạt động ổn định trong dải nhiệt độ rộng (ví dụ –40-85 °C) |
| Nhiệt độ làm việc | –40 °C đến +85 °C thường được ghi trong datasheet. |

4. Chân và chức năng các chân của Opto driver A2601
| Chân | Tên | Chức năng |
|---|---|---|
| Pin 1 | V<sub>CC</sub> (Nguồn dương) | Cấp nguồn dương cho mạch thu output. |
| Pin 2 | IN (Anode LED) | Anode của LED input — khi được cấp dòng LED, phát sáng. |
| Pin 3 | IN (Cathode LED) | Cathode của LED input — trở về ground input. |
| Pin 4 | NC / Enable | Có thể không kết nối hoặc là chân điều khiển enable (tùy phiên bản). Trong một số datasheet, enable có mặt. |
| Pin 5 | GND | Nối đất (tham chiếu) cho mạch output. |
| Pin 6 | Output | Collector của transistor output; khi LED sáng transistor dẫn. Cần điện trở kéo lên (pull-up) nếu open-collector. |
| Pin 7 | NC | Không kết nối (No Connect) hoặc không dùng. |
| Pin 8 | NC / Bypass | Điện trở / tụ bypass có thể được nối giữa một số chân như chân nguồn dương và chân đất để ổn định mạch. Tùy biến bản datasheet. |


5. Ứng dụng của Opto driver A2601
A2601 có thể dùng trong:
-
Cách ly tín hiệu logic trong mạch điều khiển vi xử lý, FPGA để điều khiển công suất cao.
-
Truyền tín hiệu tốc độ cao giữa các phần mạch mà cần cách ly điện áp hoặc nhiễu cao.
-
Mạch nguồn chuyển mạch, bộ nguồn, inverter, nơi LED input từ mạch logic điều khiển phần đầu ra.
-
Ứng dụng trong thiết bị đo lường và cách ly, bảo vệ (protection circuits) khi cần phân tách mạch điều khiển & tải.
6. Cách kiểm tra Opto driver A2601
Để kiểm tra xem A2601 có hoạt động không:
-
Quan sát bên ngoài: kiểm tra package, dấu hiệu cháy, chân hàn.
-
Kiểm tra LED input:
-
Cấp nguồn +VCC đúng.
-
Dùng một điện trở thích hợp nối từ nguồn logic đến chân Anode (pin 2) → Cathode (pin 3); đo xem LED có sáng không (có thể dùng mạch thử hoặc LED báo).
-
-
Kiểm tra output:
-
Kết nối pull-up resistor ở chân collector (output) tới VCC.
-
Khi LED sáng, transistor dẫn → output thấp; khi LED tắt → output cao (do pull-up).
-
-
Kiểm tra thời gian đáp ứng:
-
Tạo tín hiệu đầu vào dạng xung (pulse) nhỏ để xem thời gian chuyển cao-thấp, thấp-cao; so với thông số datasheet.
-
-
Kiểm tra cách ly:
-
Đo điện trở / điện áp cách ly giữa mạch input và mạch output, đảm bảo cách ly điện áp cao đúng tiêu chuẩn (nếu có thiết bị thử cách ly).
-
7. Kích thước & đóng gói của Opto driver A2601
-
Package thường: DIP-8 (phiên bản through-hole 8 chân) hoặc SOP-8 / các variant nhỏ hơn.
-
Chân (lead spacing) theo chuẩn DIP-8: pitch ~2.54 mm giữa các chân liền kề.
-
Kích thước tổng thân (body) DIP-8: khoảng chiều dài ~9-10 mm, rộng ~6-7 mm, cao thân + chân tùy nhà sản xuất.









